Notícias de São Paulo

Campinas breve terá Trem com capacidades de 800 passageiros

Trem intercidades leiloado hoje poderá comportar 800 passageiros e chegar a Campinas em uma hora

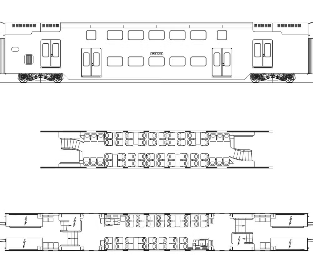
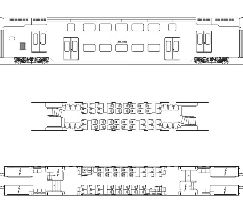
Com cerca de 150 metros de comprimento, esse tipo de trem pode ocupar metade do espaço na plataforma quando comparado com uma composição de apenas um andar

Por Filipe Vidon — Rio de Janeiro

29/02/2024 10h18 Atualizado 29/02/2024

modelo de trem semelhante ao que poderá circular entre São Paulo e Campinas — Foto: Divulgação/Stadler

O governo de São Paulo faz, nesta quinta-feira, o leilão para definir o consórcio que vai construir o Trem Intercidades (TIC) que ligará Campinas a São Paulo. O projeto, um dos prioritários da gestão Tarcísio de Freitas e que faz parte do Programa de Aceleração ao Crescimento (PAC) do governo federal, poderá ligar as duas cidades em uma hora e chegou-se a cogitar o uso de trens com dois andares, apesar da informação não constar no edital final.

O trem até Campinas terá composições com capacidade para cerca de 800 passageiros que farão o percurso de 96 quilômetros, a uma velocidade de até 150 quilômetros por hora. Será uma viagem quase direta de São Paulo até Campinas: haverá apenas uma parada, em Jundiaí).

Durante a modelagem da concessão, ainda em 2019, as empresas interessadas em assumir o trecho sugeriram o uso de trens “double deck”, ou seja, com dois andares. A argumentação das empresas é de que esse modelo pode aumentar o número de passageiros por vagão sem obrigar a expansão de plataformas.

Trem intercidades vai ligar Campinas a São Paulo — Foto: Criação O Globo

Com cerca de 150 metros de comprimento, esse tipo de trem poderia ocupar metade do espaço na plataforma quando comparado com uma composição de apenas um andar. Segundo a Secretaria dos Transportes Metropolitanos, a configuração tradicional pode exigir plataforma com mais de 300 metros de comprimento, bem acima do que já está presente nas estações da CPTM que seriam usadas em parte do trajeto, com trens de cerca de 170 metros e oito vagões.

Trem intercidades vai ligar Campinas a São Paulo — Foto: Criação O Globo

Com cerca de 150 metros de comprimento, esse tipo de trem poderia ocupar metade do espaço na plataforma quando comparado com uma composição de apenas um andar. Segundo a Secretaria dos Transportes Metropolitanos, a configuração tradicional pode exigir plataforma com mais de 300 metros de comprimento, bem acima do que já está presente nas estações da CPTM que seriam usadas em parte do trajeto, com trens de cerca de 170 metros e oito vagões.

Apesar disso, os “double deckers” acabam tendo uma capacidade um pouco menor do que os trens de piso único, que podem chegar até 12 vagões. Este problema poderia ser solucionado com mais partidas, ao contrário do trem com mais vagões, que exigiria obras de adaptação e expansão em estações já existentes.

O preço da tarifa será de no máximo R$ 64, mas a empresa poderá conceder descontos para quem comprar antecipadamente. O governo espera que o serviço seja atraente para quem viaja de ônibus e fretados entre as cidades — especialmente a população que vive em Campinas e trabalha na capital.

O modelo de trem intercidades já é usado em várias metrópoles do mundo. O trajeto entre Londres e Birmingham, na Inglaterra, por exemplo, tem cerca de 163 quilômetros, percorridos em um trem que atinge uma velocidade média de cerca de 80 km/h.

Interior de trens semelhantes ao que pode circular entre São Paulo e Campinas — Foto: Divulgação

Já a famosa rota Lisboa-Porto também é feita com um trem intercidades no modelo SP-Campinas. Por lá, o trem faz o trajeto entre as cidades portuguesas a uma velocidade média de 72 km/h.

Hoje, a Linha Rubi tem 19 estações, ligando Jundiaí até a Luz, mas, após a concessão, perderá duas paradas e terminará na Barra Funda, porque a Estação da Luz não tem mais espaço para expansão e, com o TIC, será necessário criar novas plataformas e trilhos.

Completada a Linha 7, a próxima etapa é a entrega do TIM de Jundiaí a Campinas, cuja obra deve ser terminada em 2028. O trecho terá paradas em Louveira, Vinhedo e Valinhos — a tarifa deve ser de no máximo R$ 28,10. A partir de 2031, é esperada a entrega do TIC, serviço expresso ligando a capital até Campinas.